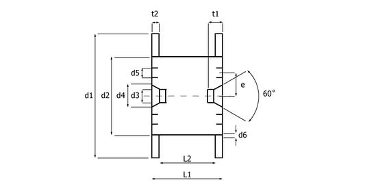
Colección: Carretes y bobinas de cable de plástico
Plastic Cable Reels & Spools. UK Manufactured Cable Reels & Spools for Reeling Small Cable
-
CARRETE-PLÁSTICO-NEGRO-73-40
Precio habitual £1.63 UK VAT excl.
£1.96 UK VAT incl.Precio habitualPrecio de oferta -
CARRETE-PLÁSTICO-NEGRO-100-70
Precio habitual £4.71 UK VAT excl.
£5.65 UK VAT incl.Precio habitualPrecio de oferta -
CARRETE ABS NEGRO 160-22
Precio habitual £5.85 UK VAT excl.
£7.02 UK VAT incl.Precio habitualPrecio de oferta -
CARRETE ABS NEGRO 200-22
Precio habitual £7.72 UK VAT excl.
£9.26 UK VAT incl.Precio habitualPrecio de oferta -
CARRETE ABS NEGRO 250 36
Precio habitual £10.05 UK VAT excl.
£12.06 UK VAT incl.Precio habitualPrecio de oferta -
CARRETE-ABS-BLK-355-36
Precio habitual £22.69 UK VAT excl.
£27.23 UK VAT incl.Precio habitualPrecio de oferta
Related Products
-
Stainless Swage Fittings
Stainless Steel Wire Rope Swage Fittings.



